
电动滑台
发送询盘
产品详情
产品内容介绍
电动滑台的产品描述:
1:采用精密轴系,蜗轮蜗杆传动模式;
2:旋转台基座采用耐磨材料并且经过精密加工处理,耐磨性强,旋转台的精度可靠性高;
3:整体化设计,台面底板经过精磨处理,确保静态平面度;
4:高精密,高刚性轴系保证了旋转台的中心通孔和旋转中心的同轴度,旋转精度高,承载大,运动平稳;
5:电控旋转台可以平方使用、竖直使用、倒立使用;
6:可换装伺服电机、圈光栅、编码器,接受产品的改良和定制;
7:可选配公司自主研发控制器对其实现自动化控制;
8:台面外围刻度圈有激光刻划标尺,标尺可以和转盘一起转动,方便初始定位和读数;
9:巧妙的设计保证了旋转台台面极低的偏摆和倾斜,使运动更加平稳。




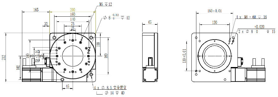
产品尺寸图:
WMD200-65HS:

WMD200-65H:


上一条
WXZ4060-L多轴位移滑台
下一条
电动位移平台
发送询盘
